|
Maskinen stopper under kløvning → ofte fastklemt træ Svagt tryk → hydraulikolie eller utæt pakning Starter ikke → kontakt, eller kondensator Ujævn bevægelse → luft i hydraulik eller slidt ventil
Uddybende fejlløsning
 Skriv venligst i Mail Reservedelsnr. og Antal mængde eller efterspørg dele til en anden version af maskinen.
Gyldig for følgende serienumre (de første 5 cifre i enhedens serienummer) 49572 50880 56450 57770 66447
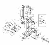
| Pos. |
Reservedelsnr. |
Betegnelse |
mængde |
RB |
Status |
| 1 |
2050-01001 |
Betjeningsarm komplet vvl. |
1 |
3 |
- |
| 2 |
2050-01002 |
Betjeningsarm komplet vvr. |
1 |
3 |
- |
| 3 |
2050-01003 |
Ekspandergummi |
1 |
1 |
- |
| 4 |
2050-01004 |
Betjeningsgreb |
2 |
1 |
- |
| 5 |
2050-01005 |
Betjeningshåndtag |
2 |
1 |
- |
| 6 |
1977-03001 |
Cylinder |
1 |
5 |
- |
| 7 |
2050-01007 |
Skruecylinder |
2 |
1 |
- |
| 8 |
2050-01008 |
Kløvekniv |
1 |
3 |
- |
| 9 |
2050-01009 |
Sæt med glideplader |
1 |
5 |
- |
| 10 |
2050-01010 |
Slagjusteringsstang komplet |
1 |
1 |
- |
| 11 |
2050-01011 |
oliepinden |
1 |
1 |
- |
| 12 |
2050-01012 |
Endestop komplet |
1 |
5 |
- |
| 13 |
2050-01013 |
Aktueringsstang |
1 |
1 |
- |
| 14 |
2050-01014 |
Knivdæksel |
1 |
3 |
- |
| 15 |
2050-01015 |
Krydsforbindelse |
1 |
1 |
- |
| 16 |
2050-01016 |
Returledning |
1 |
5 |
- |
| 17 |
2050-01017 |
90° vinkelretur |
1 |
1 |
- |
| 18 |
2050-01018 |
Hydraulisk ledning A |
1 |
5 |
- |
| 19 |
2050-01019 |
Hydraulisk ledning B |
1 |
5 |
- |
| 20 |
2050-01020 |
Hydraulisk ventil |
1 |
3 |
- |
| 21 |
2050-01021 |
90° vinkelhydraulisk ventil |
2 |
1 |
- |
| 22 |
2050-01022 |
Linjehydr.ventil styreventil |
1 |
3 |
- |
| 23 |
2050-01023 |
Bolt 3-punkts montering øverst |
1 |
2 |
- |
| 24 |
2050-01024 |
Bolt 3-punkts montering forneden |
2 |
3 |
- |
| 25 |
2050-01025 |
Pumpe-ventilledning |
1 |
3 |
- |
| 26 |
2050-01026 |
90° vinkel Dl |
2 |
1 |
- |
| 27 |
2050-01027 |
Hydraulisk pumpe |
1 |
3 |
- |
| 28 |
2050-01028 |
Indsugningsledning |
1 |
3 |
- |
| 29 |
2050-01029 |
oliefilter komplet |
1 |
5 |
- |
| 30 |
2050-01030 |
Stik sugning |
1 |
1 |
- |
| 32 |
2050-01032 |
Hjul |
2 |
5 |
- |
| 33 |
2050-01033 |
Pladepumpe PTO-gear |
1 |
2 |
- |
| 34 |
2050-01049 |
PTO gearkasse komplet |
1 |
5 |
- |
| 35 |
2050-01035 |
PTO-akselbeskyttelse |
1 |
1 |
- |
| 36 |
2050-01036 |
Kontrolventil |
1 |
3 |
- |
| 37 |
2050-01037 |
Hydraulikledningsindtag E-motor |
1 |
1 |
- |
| 38 |
2050-01038 |
Splitstift 3-punkts montering i bunden |
2 |
1 |
- |
| 39 |
2050-01039 |
Splitstift 3-punkts montering øverst |
1 |
1 |
- |
| 40 |
2050-01040 |
Dobbelt nippel hydraulisk ventil |
1 |
1 |
- |
| 41 |
2050-01041 |
Sikringshjul |
2 |
1 |
- |
| 42 |
2050-01042 |
90° vinkel sugeledning |
1 |
1 |
- |
| uden fig. |
2050-01047 |
Skueglas til PTO-gearkasse |
1 |
1 |
- |
| uden fig. |
2050-01048 |
Udluftningsventil PTO gearkasse. |
1 |
3 |
- |
| uden fig. |
02046 |
Kort træbord til 2045/2050/2055 |
Udgået |
Skriv venligst i Mail Reservedelsnr. og Antal mængde
|