Reservedel (version 1.) DHH 1100/20 TZ
[2055-R1]
Reservedel (version 1.) DHH 1100/20 TZ
Klik for at forstørre

Maskinen stopper under kløvning → ofte fastklemt træ
Svagt tryk → hydraulikolie eller utæt pakning
Starter ikke → kontakt, eller kondensator
Ujævn bevægelse → luft i hydraulik eller slidt ventil

Reservedelsnr. og Antal mængde
eller efterspørg dele til en anden version af maskinen.

 


Gyldig for følgende serienumre (de første 5 cifre i enhedens serienummer)
50349 50350 54909 62838 65508

 

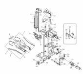
Pos. Reservedelsnr. Betegnelse mængde RB  Status
1 2050-01001 Betjeningsarm komplet vvl. 1 3 -
2 2050-01002 Betjeningsarm komplet vvr. 1 3
3 2050-01003 Ekspandergummi 1 1
4 2050-01004 Betjeningsgreb 2 1
5 2050-01005 Betjeningshåndtag 2 1
6 2055-01006 Hydraulisk cylinder 1 5 -
7 2050-01007 Skruecylinder 2 1
8 2050-01008 Kløvekniv 1 3
9 2050-01009 Sæt med glideplader 1 5
10 2050-01010 Slagjusteringsstang komplet 1 1
11 2050-01011 oliepinden 1 1
12 2050-01012 Endestop komplet 1 5
13 2050-01013 Aktueringsstang 1 1
14 2050-01014 Knivdæksel 1 3
15 2050-01015 Krydsforbindelse 1 1
16 2050-01016 Returledning 1 5
17 2050-01017 90° vinkelretur 1 1
18 2050-01018 Hydraulisk ledning A 1 5
19 2050-01019 Hydraulisk ledning B 1 5
20 2050-01020 Hydraulisk ventil 1 3
21 2050-01021 90° vinkelhydraulisk ventil 2 1
22 2050-01022 Linjehydr.ventil styreventil 1 3
23 2050-01023 Bolt 3-punkts montering øverst 1 2
24 2050-01024 Bolt 3-punkts montering forneden 2 3
25 2050-01025 Pumpe-ventilledning 1 3
26 2050-01026 90° vinkel Dl 2 1
27 2050-01027 Hydraulisk pumpe 1 3
28 2050-01028 Indsugningsledning 1 3
29 2050-01029 oliefilter komplet 1 5
30 2050-01030 Stik sugning 1 1
32 2050-01032 Hjul 2 5
33 2050-01033 Pladepumpe PTO-gear 1 2
34 2050-01049 PTO gearkasse komplet 1 5
35 2050-01035 PTO-akselbeskyttelse 1 1
36 2050-01036 Kontrolventil 1 3
37 2050-01037 Hydraulikledningsindtag E-motor 1 1
38 2050-01038 Splitstift 3-punkts montering i bunden 2 1
39 2050-01039 Splitstift 3-punkts montering øverst 1 1
40 2050-01040 Dobbelt nippel hydraulisk ventil 1 1
41 2050-01041 Sikringshjul 2 1
42 2050-01042 90° vinkel sugeledning 2 1
uden fig. 2050-01047 Skueglas til PTO-gearkasse 1 1
uden fig. 2050-01048 Udluftningsventil PTO gearkasse. 1 3
uden fig. 02046 Kort træbord til 2045/2050/2055 Udgået
Reservedelsnr. og Antal mængde

Vægt: 0.000 Kg
Varen er på lager. Varen er på lager.
Tilbage Anmeldelser